91 dodge dakota wiring diagram

91 Dodge Wiring Diagram | schematic and wiring diagram. 11 Pictures about 91 Dodge Wiring Diagram | schematic and wiring diagram : 91 Dodge Dakota Coil Wiring Diagram Pictures - Wiring Diagram Sample, 91 Dodge Wiring Diagram | schematic and wiring diagram and also 1995 Dodge Dakotum Wiring Diagram - atelierfjellknatten.

91 Dodge Wiring Diagram | Schematic And Wiring Diagram

91 Dodge Wiring Diagram | schematic and wiring diagram schematicandwiringdiagram.blogspot.com

durango 2002 wiringg tork stratus schematicandwiringdiagram f350 easywiring staceynja petak ridgeline electrical

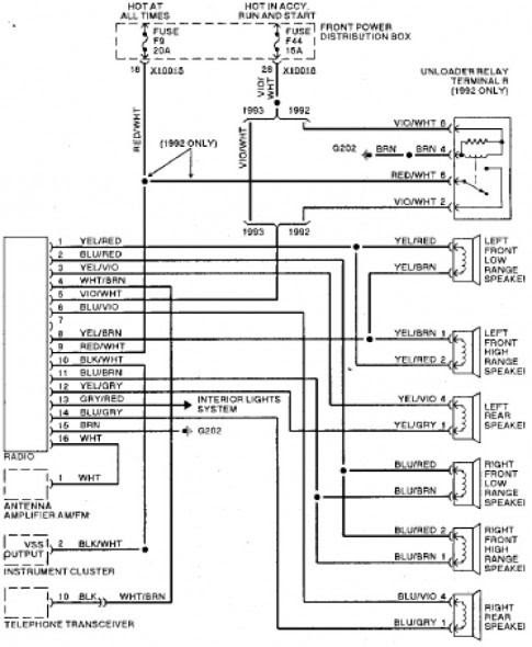
Wiring Harness 91 Dodge Dakota | Schematic And Wiring Diagram

Wiring Harness 91 Dodge Dakota | schematic and wiring diagram schematicandwiringdiagram.blogspot.com

wiring dakota dodge 1997 harness tonneau fold tri sponsored lock 2003 ford diagram

Air Conditioning Wiring Diagram For 1989 Dodge Dakota

Air conditioning wiring diagram for 1989 Dodge Dakota www.freeautomechanic.com

freeautomechanic

Dodge Dakota 1991 1996 Fuse Box Diagrams Youtube

Dodge Dakota 1991 1996 Fuse Box Diagrams Youtube therun2016.com

dakota fuse dodge box 1996 94 1991 diagrams

Schematics And Diagrams: 1999 Dodge Dakota 5.9L Engine Schematic?

schematics and diagrams: 1999 dodge Dakota 5.9L Engine Schematic? schematicsdiagram.blogspot.com

dodge wiring diagram dakota ram 1500 1999 schematic 2000 2002 engine diagrams ignition pcm trailer 2004 schematics durango autozone 1998

91 Dodge Dakota Coil Wiring Diagram Pictures - Wiring Diagram Sample

91 Dodge Dakota Coil Wiring Diagram Pictures - Wiring Diagram Sample faceitsalon.com

diagram dakota ignition dodge wiring system 1997 easyautodiagnostics 1999 5l coil 1998 source

1995 Dodge Dakota Wiring Diagram Autozone - Wiring Forums

1995 Dodge Dakota Wiring Diagram Autozone - Wiring Forums wiringforums.com

diagram wiring dakota dodge 1995 autozone

34 2005 Dodge Dakota 47 Serpentine Belt Diagram - Wire Diagram Source

34 2005 Dodge Dakota 47 Serpentine Belt Diagram - Wire Diagram Source wiringdiagrammechanic.blogspot.com

serpentine 47l

20 Awesome 1992 Dodge Dakota Wiring Diagram

20 Awesome 1992 Dodge Dakota Wiring Diagram fjelloghjem.blogspot.com

dakota wiring 1992 tests

2002 Dodge Dakotum Fuse Box

2002 Dodge Dakotum Fuse Box hestiahelper.blogspot.com

dodge fuse 2000 box durango diagram dakota 2002 panel diagrams wiring trailer plug hood under 2009

1995 Dodge Dakotum Wiring Diagram - Atelierfjellknatten

1995 Dodge Dakotum Wiring Diagram - atelierfjellknatten atelierfjellknatten.blogspot.com

wiring durango e36 harman kardon 328i subwoofer easywiring 1999 razy pomógł

34 2005 dodge dakota 47 serpentine belt diagram. Wiring harness 91 dodge dakota. Schematics and diagrams: 1999 dodge dakota 5.9l engine schematic?