2015 wrangler wiring diagram stereo

Jeep Patriot Radio Wiring Diagram - Wiring Diagram Schemas. 10 Pictures about Jeep Patriot Radio Wiring Diagram - Wiring Diagram Schemas : 2017 Jeep Wrangler Radio Wiring Diagram : Vw Fuse Box Repair Wire, 2015 Subaru forester Radio Wiring Diagram Unique in 2020 | Subaru and also Jeep Yj Alternator Wiring Diagram.

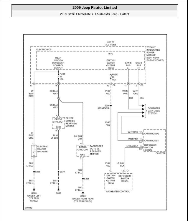
Jeep Patriot Radio Wiring Diagram - Wiring Diagram Schemas

Jeep Patriot Radio Wiring Diagram - Wiring Diagram Schemas wiringschemas.blogspot.com

jeep wiring diagram patriot compass electrical radio manual

2017 Jeep Wrangler Radio Wiring Diagram : Vw Fuse Box Repair Wire

2017 Jeep Wrangler Radio Wiring Diagram : Vw Fuse Box Repair Wire wiringdiagram95.blogspot.com

wrangler laredo xj approximate architectural

2015 NISSAN ALTIMA RADIO FUSE LOCATION - Auto Electrical Wiring Diagram

2015 NISSAN ALTIMA RADIO FUSE LOCATION - Auto Electrical Wiring Diagram electrowiring.herokuapp.com

altima wiring 2carpros

Uconnect Wiring Diagram - Complete Wiring Schemas

Uconnect Wiring Diagram - Complete Wiring Schemas wiring89.blogspot.com

uconnect radio connections antenna wiring diagram durango chrysler upgrade 4an dodge gps harness 200forums uf appearance body

Jeep Yj Alternator Wiring Diagram

Jeep Yj Alternator Wiring Diagram strawberry-sweet.blogspot.com

pertaining yj

2014 Jeep Wrangler Stereo Wiring Diagram - Wiring Diagram Schemas

2014 Jeep Wrangler Stereo Wiring Diagram - Wiring Diagram Schemas wiringschemas.blogspot.com

[DIAGRAM] 97 Wrangler Radio Wiring Diagram FULL Version HD Quality

[DIAGRAM] 97 Wrangler Radio Wiring Diagram FULL Version HD Quality geinokaigi.xyz

wrangler crutchfield

2015 Subaru Forester Radio Wiring Diagram Unique In 2020 | Subaru

2015 Subaru forester Radio Wiring Diagram Unique in 2020 | Subaru www.pinterest.com

wiring brz impreza aftermarket mainetreasurechest

Jeep Wiring Harnes 2009

Jeep Wiring Harnes 2009 hestiahelper.blogspot.com

jeep wiring 2009 patriot harness electrical harnes tips

Jeep Patriot Stereo Wiring Diagram - Wiring Diagram Schemas

Jeep Patriot Stereo Wiring Diagram - Wiring Diagram Schemas wiringschemas.blogspot.com

jeep patriot wiring diagram 2007 compass 2008 schematic 2009 manual limited radio

Jeep patriot radio wiring diagram. Jeep wiring diagram patriot compass electrical radio manual. Wrangler crutchfield