2013 malibu radio wiring diagram

2006 Chevy Malibu Wiring Schematic - Wiring Diagram Schemas. 11 Images about 2006 Chevy Malibu Wiring Schematic - Wiring Diagram Schemas : 55 2004 Chevy Impala Engine Wiring Harness - Wiring Diagram Plan, 70 Best Of 2010 Chevy Malibu Radio Wiring Diagram | Chevy trailblazer and also 20 Luxury 2000 Chevy Cavalier Radio Wiring Diagram.

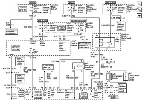
2006 Chevy Malibu Wiring Schematic - Wiring Diagram Schemas

2006 Chevy Malibu Wiring Schematic - Wiring Diagram Schemas wiringschemas.blogspot.com

malibu equinox ecm silverado 1500

Bmw X5 Amplifier Wiring - AIO Wiring Diagrams

Bmw X5 Amplifier Wiring - AIO Wiring Diagrams freshspark.co

e46 e60 f30 e39 e90 vp44 e61 headlight 320d endstufe m47 ecu bmwklub 330i e90post msblog u2022 e53 głośniki są

2014 Chevy Cruze Radio Wiring Diagram Sample

2014 Chevy Cruze Radio Wiring Diagram Sample wholefoodsonabudget.com

diagram wiring radio ford fuse cruze 1999 chevy explorer expedition autos wire center box weblog rh panel u2022 untpikapps sample

55 2004 Chevy Impala Engine Wiring Harness - Wiring Diagram Plan

55 2004 Chevy Impala Engine Wiring Harness - Wiring Diagram Plan rebablakuf.blogspot.com

malibu 2003 imageservice headlight

Ford Headlight Assembly Wiring - Wiring Diagram

Ford Headlight Assembly Wiring - Wiring Diagram cars-trucks24.blogspot.com

hid

2014 Chevy Cruze Radio Wiring Diagram Sample

2014 Chevy Cruze Radio Wiring Diagram Sample wholefoodsonabudget.com

wiring diagram cruze chevy radio ford explorer 1999 wire cassette stereo f150 player system data f87f ae sample autos center

70 Best Of 2010 Chevy Malibu Radio Wiring Diagram | Chevy Trailblazer

70 Best Of 2010 Chevy Malibu Radio Wiring Diagram | Chevy trailblazer in.pinterest.com

malibu jvc trailblazer 2020cadillac ml350 explode tearing annawiringdiagram lucerne mtd imageservice easywiring xav j30 kdc clarion xplod exatin equinox ambrasta

20 Luxury 2000 Chevy Cavalier Radio Wiring Diagram

20 Luxury 2000 Chevy Cavalier Radio Wiring Diagram bosco-mylove.blogspot.com

bcm 2001 ecm

[DIAGRAM] 1993 Chevrolet Caprice Classic Ls System Wiring Diagrams

[DIAGRAM] 1993 Chevrolet Caprice Classic Ls System Wiring Diagrams rosherun99.fr

impala 2002 ls wiring diagram chevy abs chevrolet diagrams system 2001 control hvac miles 2005 owned engine compressor air traction

No Power To Radio | Chevrolet Malibu Forums

no power to radio | Chevrolet Malibu Forums www.chevymalibuforum.com

radio malibu

39 2002 Gmc Sierra Radio Wiring Diagram - Wiring Diagram Online Source

39 2002 Gmc Sierra Radio Wiring Diagram - Wiring Diagram Online Source sitzone.blogspot.com

wiring jetta gmc tonetastic u2022 aftermarket brilliant pajero enthusiast

Bmw x5 amplifier wiring. Malibu jvc trailblazer 2020cadillac ml350 explode tearing annawiringdiagram lucerne mtd imageservice easywiring xav j30 kdc clarion xplod exatin equinox ambrasta. 20 luxury 2000 chevy cavalier radio wiring diagram