2013 jk stereo wiring diagram

OEM Stereo Wiring Diagram: Vehicle Listed Above Is the EX Model.I. 11 Pictures about OEM Stereo Wiring Diagram: Vehicle Listed Above Is the EX Model.I : 37 Jeep Wrangler Jk Radio Wiring Diagram - Wiring Diagram Online Source, 2013 Jeep Wrangler Radio Wiring Diagram Images - Wiring Diagram Sample and also OEM Stereo Wiring Diagram: Vehicle Listed Above Is the EX Model.I.

OEM Stereo Wiring Diagram: Vehicle Listed Above Is The EX Model.I

OEM Stereo Wiring Diagram: Vehicle Listed Above Is the EX Model.I www.2carpros.com

stereo wiring diagram oem

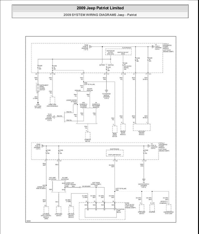
Jeep Patriot Radio Wiring Diagram - Wiring Diagram Schemas

Jeep Patriot Radio Wiring Diagram - Wiring Diagram Schemas wiringschemas.blogspot.com

wiring jeep diagram patriot compass

Jeep Jk Subwoofer Wiring Diagram - General Wiring Diagram

Jeep Jk Subwoofer Wiring Diagram - General Wiring Diagram galvinconanstuart.blogspot.com

jeep subwoofer wiring wrangler tj diagram jk 2001 oem 2006 replacement

Uconnect Radio Wiring Diagram - Complete Wiring Schemas

Uconnect Radio Wiring Diagram - Complete Wiring Schemas wiring89.blogspot.com

uconnect pinout speaker

37 Jeep Wrangler Jk Radio Wiring Diagram - Wiring Diagram Online Source

37 Jeep Wrangler Jk Radio Wiring Diagram - Wiring Diagram Online Source sitzone.blogspot.com

wrangler maestro

Wiring Diagram For 2004 Jeep Wrangler - Complete Wiring Schemas

Wiring Diagram For 2004 Jeep Wrangler - Complete Wiring Schemas wiring89.blogspot.com

2016 Stereo Wiring Diagram | Tacoma World

2016 stereo wiring diagram | Tacoma World www.tacomaworld.com

wiring diagram tacoma stereo

Fuse Box Diagram 2008 Jeep Wrangler Unlimited - Wiring Diagram

Fuse Box Diagram 2008 Jeep Wrangler Unlimited - Wiring Diagram cars-trucks24.blogspot.com

fuse 740i 535xi 328i 325i xdrive e61 528i e60 330i h3 kium optima 5series 320i relay

2017 Jeep Wrangler Radio Wiring Diagram - Wiring Diagram Schemas

2017 Jeep Wrangler Radio Wiring Diagram - Wiring Diagram Schemas wiringschemas.blogspot.com

l2ci imageservice vp44 xa 1571 w205

2013 Jeep Wrangler Radio Wiring Diagram Images - Wiring Diagram Sample

2013 Jeep Wrangler Radio Wiring Diagram Images - Wiring Diagram Sample faceitsalon.com

wiring diagram jeep wrangler radio pac ch11 rp4 stereo wranglerforum backup camera aftermarket installing amp source

Uconnect Radio Wiring Diagram - Complete Wiring Schemas

Uconnect Radio Wiring Diagram - Complete Wiring Schemas wiring89.blogspot.com

wiring uconnect 300cforums 300c

Oem stereo wiring diagram: vehicle listed above is the ex model.i. Wiring diagram jeep wrangler radio pac ch11 rp4 stereo wranglerforum backup camera aftermarket installing amp source. Fuse box diagram 2008 jeep wrangler unlimited